a13842

Engineering

Die AEW Energie AG beschäftigt zahlreiche bestens ausgebildete Ingenieure und Fachspezialisten. Sie setzen sich täglich mit komplexen Fragestellungen im Ingenieurwesen auseinander. Profitieren auch Sie vom Wissen unserer Experten und beanspruchen Sie unsere Engineering-Dienstleistungen.

a7808
a1018

Netzstudien und Schutzkonzepte

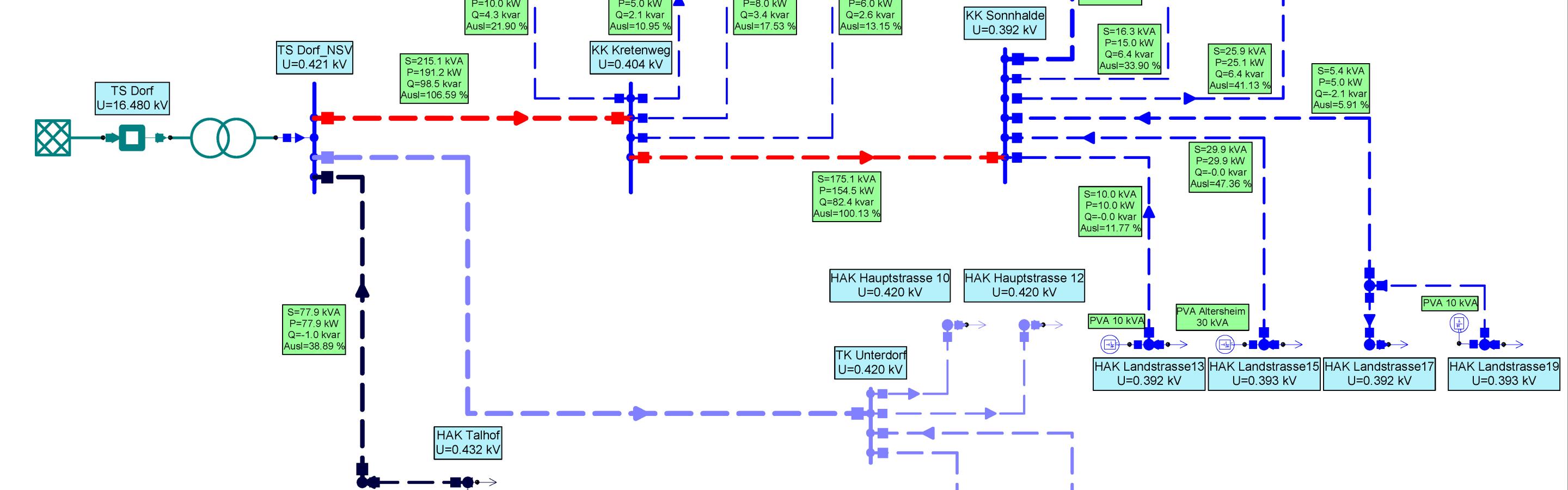
Wie verhält sich Ihr Netz in Zukunft, wenn mit der Zunahme von E-Autos, Photovoltaikanlagen und Wärmepumpen einige Herausforderungen warten? Sind die Einstellungen der Schutzrelais in der Mittelspannung und der Niederspannung selektiv? Fragen dieser Art werden mithilfe von Netzstudien und Netzberechnungen beantwortet, die durch das Programm Neplan für Netzberechnungen durchgeführt werden. Die Netzsituation wird im Neplan erfasst und entsprechende Daten wie z. B. Lasten für Lastflusssimulation eingepflegt. Anschliessend erfolgt die eigentliche Netzanalyse mit einem abschliessenden Bericht.

a7702

Unsere Leistungen

a7722
a7694

Anschlussbeurteilungen

Energieerzeugungsanalgen sowie Verbraucher werden nach den DACHCZ-Richtlinien beurteilt, was die langfristige Einhaltung der Spannungsqualitätsnorm SNEN50160 gewährleisten soll. Weiter gibt es für den Anschluss von Erzeugungsanlagen Branchenempfehlungen, z. B. NA-EEA 2020 vom VSE, welche eingehalten werden sollten. Damit der Kunde alle Richtlinien einhält bzw. der Netzanschluss für die angemeldete Anlage ausreicht, erstellen wir für Sie einen Bericht mit allen Berechnungen und nötigen Informationen.

Falls Netzverstärkungsmassnahmen für den Verteilnetzbetreiber unumgänglich sind und diese gemäss der aktuellsten ElCom-Weisung vergütet werden könnten, stellen wir für Sie die notwendigen Dokumente und Berechnungen für das Gesuch zusammen.

a7707

Unser Vorgehen

a7699

Sie wünschen eine Beratung?

Wir freuen uns auf Ihre Anfrage.

Jetzt kontaktieren
a7695

NISV-Berechnungen

Bei elektrischen Anlagen bei welchem der Abstand zu Orten mit Empfindlicher Nutzung (OMEN) gemäss NIS-Verordnung nicht eingehalten werden kann, ist eine NISV-Berechnung zu erstellen. Mit dem Berechnungsprogramm EFC-400 können Kabel, Freileitungen, Trafostationen sowie Unterwerke abgebildet und die B-Felder (Magnetfeld) gemäss NISV-Verordnung bzw. ESTI-Weisungen berechnet werden.

a7709

Unser Vorgehen

a7723
a1012

Netzanalysen und Spannungsqualität

Als Betreiber von Stromnetzen sind Sie für die Einhaltung der Qualitätsnormen verantwortlich. Wir prüfen die Situation mit modernen Messgeräten und schlagen Ihnen bei Bedarf smarte Lösungsansätze vor. Netzrückwirkungen wie Spannungsänderungen, Flicker oder Oberschwingungen, belasten das Netz und stellen eine grosse Herausforderung für die Einhaltung der festgelegten Grenzwerte (DACHCZ-Richtlinien, Norm EN 50160) dar. Die AEW Energie AG bietet Dritten die Analyse ihrer Netze an und schlägt bei Bedarf Massnahmen zur Verbesserung vor. Auf Ihren Wunsch planen, beschaffen und montieren wir die notwendigen Anlagen zur Verbesserung der Netzqualität.

a1015

Unsere Leistungen

a7726
a7697

Mittelspannungs-Schutzprüfung

Elektrische Anlagen, die mittels Schutzrelais überwacht werden, müssen gemäss Starkstromverordnung periodisch alle fünf Jahre auf deren Funktionalität überprüft werden. Im Zuge der Schutzprüfung sollte die gesamte "Schutzkette" inkl. Schalter geprüft werden. Zu diesem Zweck muss der betroffene Abgang freigeschaltet werden.

a7712

Unsere Leistungen

a7698

Widerstandsmessung

Beim Aufbau neuer Mittelspannungsschaltanlagen besteht das Risiko erhöhter Übergangswiderstände der Sammelschienenkomponenten aufgrund von Montagefehlern. Um Verluste oder mögliche Ausfälle der Anlagen zu verhindern, wird nach der Montage eine Widerstandsmessung der Sammelschiene empfohlen. Die Mikroohmmessung ermöglicht auch die Messung des Übergangswiderstands von Leistungsschaltern. Bei Schweissnähten, die Strom leiten sollen, empfehlen wir ebenfalls eine Widerstandsmessung vorzunehmen.

 

a7716

Technische Daten

a1027

Sie wünschen eine Beratung?

Wir freuen uns auf Ihre Anfrage.

Jetzt kontaktieren